
TRAGROLLEN-Stationen
Flachband - Stationen
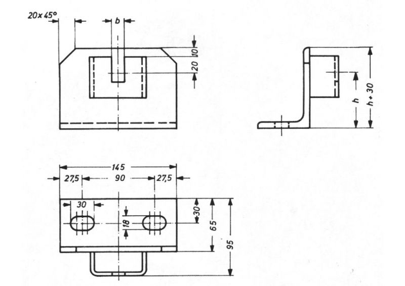
Wie es schon der Name sagt, finden Flachband-Stationen dort ihren Einsatz, wo lediglich flache Förderstrecken mit meist nur einer Rolle pro Station benötigt werden. Dies kann sowohl im Stückgutbereich, als auch im Schüttgutbereich vorkommen.
Die Standardausführung ist für Tragrollen mit SW 15 ausgelegt.
weitere Bezeichnungen
Tragrollenhalter, Förderbandrollenhalter, Rollenhalter, Haltewinkel, Tragrollen-Haltewinkel, Förderbandrollen-Haltewinkel, Rollen-Haltewinkel, Einlegestationen, Einlegewinkel, Tragrollenträger, Rollenträger
Zu diesem Produkt empfehlen wir:



Alle Vorteile auf einen Blick
- optimal für flache Förderstrecken
- Standardausführung für Tragrollen mit SW 15
- lange Lebensdauer
Ihnen gefällt was Sie sehen?
Helfen Sie anderen und teilen Sie unsere Seite.
Teilen via LinkedIn